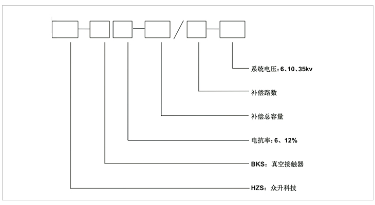
高壓真空接觸器自動分組投切電容柜


| 海拔高度 | ≤ 2000m(超過2000米訂貨時需說明) |
|
相對濕度 |
≤ 95%(25℃時) |
|
使用環境 |
周圍無明顯粉腐蝕性可燃氣體,沒有劇烈振動,垂直傾斜角度不超過5度。 |
|
額定電壓 |
3kv、6Kv、10Kv (50Hz) |
|
補償容量 |
電容柜單臺補償容量不超過2000kvar |
|
電抗率 |
5%,6%,12% |
|
電容接線 |
三相星型,中性點不接地 |
|
投切方式 |
跟蹤負荷無功變化,全自動分組分級投切電容 |
|
工頻耐壓 |
一次/42Kv/1 min 二次/2Kv/ 1min |
|
環境溫度 |
-25℃----+45℃ |

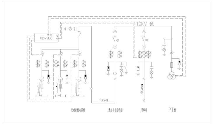
10kv無功補償裝置主要由:無功補償控制器(PFC)及微機電容保護器(CXB)、電流互感器(CT)、跌落式熔斷器(FU)、避雷器(FV)、放電線圈(TV)、高壓交流真空接觸器(KM)、電抗器(L)、電容保護高壓熔斷器(根據電容器組配置)和電力電容器組(C)(根據用戶配電負荷配備)等部分組成。
工作原理
operating principle
10kv無功補償裝置由系統電壓互感器(PT)采集A、C相電壓信號,系統電流互感器(CT)采集B相電流信號傳送到HZS型無功補償控制器。經過控制器采樣電路,得到電壓、電流的模擬信號,再經A/D轉換,得出電壓、電流等的數字量,然后通過控制器微處理器的運算,得出電壓、電流、有功、無功、功率因數、諧波百分比等參數,與存貯在固定存貯器中的系統設置點(用戶可根據以上參數選擇不同的控制模式。如:根據無功+電壓、電壓、電流、功率因數等)進行比較,由系統決定什么情況下操作電容器組,并通過高壓交流真空接觸器來執行電容器組的分、合閘,從而達到自動循環投切電容器組,補償線路無功的目的,使電網上無功功率供需就地自動平衡,起到了降低線損、提高功率因數及系統的輸電能力、改善配電網供電質量等重要的作用。
產品優勢
Structural characteristics
01
嚴格的元器件選取----關注于品質
嚴格的元器件供應商選擇,必須具備專業的生產場地、辦公環境以及供應的產品必須具備國內專業機構的檢測證書,具備8年以上的生產年限方能入選本公司的供應商名錄。
02
干凈的工作環境----注重于品牌
標準化的生產廠區,自動化的生產工序,采用現代化的自控自動自檢的流水生產線,無交叉,無故障;全方位的檢測設備和檢測工序,只為打造優質的產品!
03
數據監控----打造用電安全管家
使用數據采集監控系統,覆蓋全國的地區通訊,24小時不間斷數據采集,具備遙調、遙控、遙測、遙信等基礎功能,更能具備故障通知和補償優化,真正意義上打造安全用電、舒適用電的智能管家!
使用條件
Conditions for use
一:工作環境條件
a.室外環境空氣溫度:-35℃~+45℃
b.環境空氣相對濕度:40℃時為20%~90%;
c.大氣壓力:海拔2000米及以下。
二:周圍環境要求
a.不允許有較強的振動與沖擊;
b.不允許有腐蝕和破壞絕緣的氣體、導電介質、含有危險的介質存在,不允許有嚴重的霉菌存在。
產品選型
Product Selection
|
裝置型號 |
補償容量(kvar) |
分組數量 |
每組容量(kvar) |
柜體數量 |
柜體尺寸 寬*深*高 |
|
HZS-BKS6-600/3-10 |
600 |
3 |
100+200+300 |
3 |
3000*1500*2650 |
|
HZS-BKS6-700/3-10 |
700 |
3 |
100+200+400 |
3 |
3000*1500*2650 |
|
HZS-BKS6-800/3-10 |
800 |
3 |
100+250+450 |
3 |
3000*1500*2650 |
|
HZS-BKS6-900/3-10 |
900 |
3 |
150+300+450 |
3 |
3000*1500*2650 |
|
HZS-BKS6-1000/3-10 |
1000 |
3 |
200+300+500 |
3 |
3000*1500*2650 |
|
HZS-BKS6-1100/3-10 |
1100 |
3 |
200+400+500 |
3 |
3000*1500*2650 |
|
HZS-BKS6-1200/3-10 |
1200 |
3 |
200+400+600 |
3 |
3000*1500*2650 |
|
HZS-BKS6-1300/3-10 |
1300 |
3 |
200+450+650 |
3 |
3000*1500*2650 |
|
HZS-BKS6-1400/3-10 |
1400 |
3 |
200+400+800 |
3 |
3000*1500*2650 |
|
HZS-BKS6-1500/3-10 |
1500 |
3 |
250+500+750 |
3 |
3000*1500*2650 |
|
HZS-BKS6-1600/3-10 |
1600 |
3 |
200+600+800 |
3 |
3000*1500*2650 |
|
HZS-BKS6-1700/3-10 |
1700 |
3 |
200+600+900 |
3 |
3000*1500*2650 |
|
HZS-BKS6-1800/3-10 |
1800 |
3 |
300+600+900 |
3 |
3000*1500*2650 |
|
HZS-BKS6-1900/4-10 |
1900 |
4 |
200+400+600+700 |
4 |
4000*1500*2650 |
|
HZS-BKS6-2000/4-10 |
2000 |
4 |
200+400+600+800 |
4 |
4000*1500*2650 |
|
HZS-BKS6-2100/3-10 |
2100 |
4 |
150+300+600+1050 |
4 |
4000*1500*2650 |
|
HZS-BKS6-2400/4-10 |
2400 |
4 |
200+400+800+1000 |
4 |
4000*1500*2650 |
|
HZS-BKS6-2700/4-10 |
2700 |
4 |
200+400+800+1300 |
4 |
4000*1500*2650 |
|
HZS-BKS6-3000/4-10 |
3000 |
4 |
200+400+800+1600 |
4 |
4000*1500*2650 |
|
HZS-BKS6-3600/5-10 |
3600 |
5 |
200+400+800+1000+1200 |
5 |
6000*1500*2650 |
|
HZS-BKS6-4200/5-10 |
4200 |
5 |
200+400+800+1200+1600 |
5 |
6000*1500*2650 |
|
HZS-BKS6-4800/5-10 |
4800 |
5 |
200+400+800+1600+1800 |
5 |
6000*1500*2650 |
|
HZS-BKS6-5400/5-10 |
5400 |
5 |
300+900+900+1500+1800 |
5 |
6000*1500*2650 |
|
HZS-BKS6-6000/5-10 |
6000 |
5 |
600+900+1500+1800+1800 |
5 |
6000*1500*2650 |
|
HZS-BKS6-6600/5-10 |
6600 |
5 |
900+1200+1200+1500+1800 |
5 |
6000*1500*2650 |
|
HZS-BKS6-7200/5-10 |
7200 |
5 |
900+1200+1500+1800+1800 |
5 |
6000*1500*2650 |
|
HZS-BKS6-7800/5-10 |
7800 |
5 |
1000+1200+1600+2000+2000 |
5 |
6000*1500*2650 |
|
HZS-BKS6-8400/5-10 |
8400 |
5 |
1000+1600+1800+2000+2000 |
5 |
6000*1500*2650 |
|
HZS-BKS6-9000/5-10 |
9000 |
5 |
1000+2000+2000+2000+2000 |
5 |
6000*1500*2650 |
訂貨須知
a) 上圖補償容量和補償路數可根據客戶需求修改
b) 表中容量只列出9000kvar,超出補償容量和補償路數可根據客戶需求定制。
產品證書
Product presentation
-
用料講究 品質保證
與國內外知名品牌供應商形成戰略合作,成熟,穩定的原材料供應渠道,性能穩定,質量有保障。
封閉設計 安全可靠
封閉式母排結構設計,模塊化組裝,安全整潔,徹底擺脫帶電體裸露、結構散亂、線束纏繞等一系列安全隱患。
-
-
熔絲保護 響應快速
創造性采用熔斷器代替傳統微型斷路器,6KA(Icu)→100KA(Icu)改變的不是一個數字,而是一種安全觀念!
精確投切 無涌流
精確的過零點投切技術,降低電網傳輸損耗,抑制電壓波動,解決電容器鼓肚、電抗器發熱、熔絲斷路的困擾
研發實力
擁有專業的研發技術團隊,專注于無功補償領域的研究,不斷創新
生產實力
5000平方米生產車間,從國外引進 生產設備,滿足任何行業的需求
質量檢測
具備完善的檢測實驗設備,配備專業化質檢人員,質量有保障
貼心服務
安排人員定期巡檢,上門檢修等服務,24h全天候售后服務體系
合肥眾升科技有限公司于2001年8月成立,坐落于安徽省合肥市肥東縣經濟開發區,致力于無功補償領域的研發、設計和生產,是一家擁有自主知識產權的電氣企業。公司先后獲得了中國質量認證中心的ccc認證、ISO9001質量體系認證、國家電器產品質量監督檢驗中心型式試驗的認可。
|
熱線電話:400-176-0551 公司傳真:0551-65372899 客服QQ:2726472126 郵箱:2726472126@qq.com 地址:安徽省肥東縣經濟開發區柳孜路 |
采購:高壓真空接觸器自動分組投切電容柜
- *聯系人:
- *手機:
- 公司名稱:
- 郵箱:
- *采購意向:
-
*驗證碼:
跟此產品相關的產品 / Related Products
相關資訊
聯系眾升
服務熱線:400-176-0551- 手機:400-176-0551
- 傳真:0551-65372899
- 客服QQ:2726472126
- 郵箱:2726472126@qq.com
- 地址:安徽省肥東縣經濟開發區柳孜路




合肥眾升科技有限公司

